Spedizione gratuita oltre 249 | Paga in 3 rate con Paypal
Negozio Roma 067234114 Assistenza Whatsapp 3921785372
Offerta Honda 2.3HP Guida Dotazioni Garanzia Nautica Più Contattaci
Nautica Più Shop
Negozio Roma 067234114
Assistenza Whatsapp 3888627627
Garanzia Nautica Più
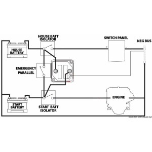
Voltage Sensitive Relay - foto 1
Brand: Osculati

Voltage Sensitive Relay

Questo relay permette di caricare contemporaneamente due batterie con 1 solo alternatore. Quando si avvia il motore, Voltage Sensitive Relay rimane aperto finchè la batteria avviamento raggiunge 13,7 / 27 V. A questo punto Voltage Sensitive Relay chiude il contatto e carica contemporaneamente le 2 batterie. Quando si ferma il motore ed il voltaggio scende sotto 12,8 / 25,2 V, Voltage Sensitive Relay apre il contatto e separa le due batterie, evitando così di scaricare la batteria sbagliata ed evitando altresì i picchi di corrente dannosi per l’elettronica di bordo, quando si riavvia il motore. Protegge la batteria d’avviamento dal pericolo di scaricarsi a causa di servizi di bordo. Nessuna caduta di tensione. Nessun assorbimento di corrente nella fase stand by. Facile da installare senza modificare il cablaggio dell’alternatore. Selezione automatica 12/24 V.
Riferimento: 14.921.90
44,47
€ 54,90 Risparmio 19%
Caratteristiche
V: 12/24
A: 160
Descrizione: Relay sensibile al voltaggio
misure: 68x68x50mm
-